产品描述
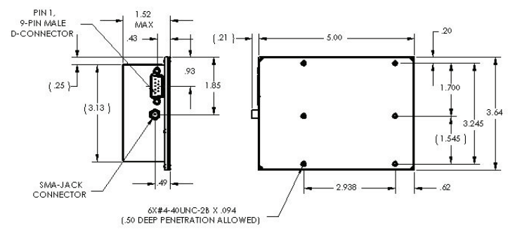
Microsemi公司的XPRO采用了传统的铷原子物理学和先进的数字电子技术,是一款非常稳定的高性能的铷原子钟,已经被无线基站设备,射频测试设备等广泛使用。采用DB-9和SMA的标准接口,以及屏蔽外壳设计,便于植入时间和频率系统。
XPRO依赖于长寿命的铷泡和扩展的晶体控制范围设计,可长期免维护运行。XPRO标准版的老化率优于5E-11,在没有校准的情况下,可维持1E-9的精度10年,甚至更长时间。XPRO低老化率选项可提供1E-11的月老化率。
XPRO通过RS-232串口通讯实现全部监控功能。
主要特点
● 输入:1PPS x 1(同相,不锁定)
● 输出:10MHz正弦x 1,1PPS x 1
● 相噪:-80dBc@1Hz, -90dBc@10Hz,-128dBc@100Hz,-145dBc@1KHz
● 短稳:1E-11@1s,3.2E-12@10s,1E-12@100s
● 老化:5E-11@月(可选1E-11)
XPRO Connection Diagram![]() XPRO Outline Diagram![]() |
技术指标
XPRO Outline Diagram![]() Ordering Information2![]() |
||||||||||||||||||||||||||||||||||||||||||||||||||||||||||||
XPRO 高稳铷钟【PDF】数据表
PDF






